Цилиндры Пневматические Серии SC
| Все Цилиндры Серии SC Оснащены Магнитами. | Положение Поршня Определяется Магнитными Датчиками Положения. Закрепляемыми На Цилиндре. Цилиндры Пневматические Этой Серии Оснащены Устройствами Демпфирования В Конце Хода С Регулировкой Интенсивности Торможения. Длина Хода Стандартных Цилиндров Серии SC 10- 1900 Мм |
Основные Характеристики
| Конструкция | Стяжка Шпильками |
| Действие | Двустороннего Действия |
| Материалы | Шток Из Конструкционной Стали Покрытая Хромом, Алюминиевые Крышки, Гильза – Анодированный Алюминий |
| Крепление | По Резьбовым Отверстиям Шпилек, Передний И Задний Фланец, Лапы Центральные, Передние И Задние Подвески |
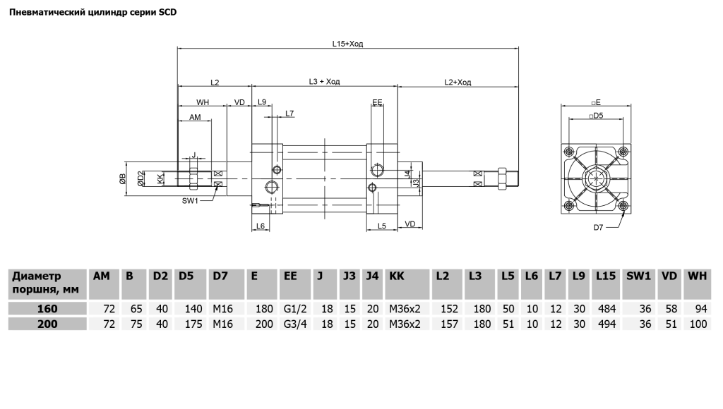
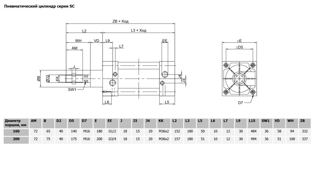
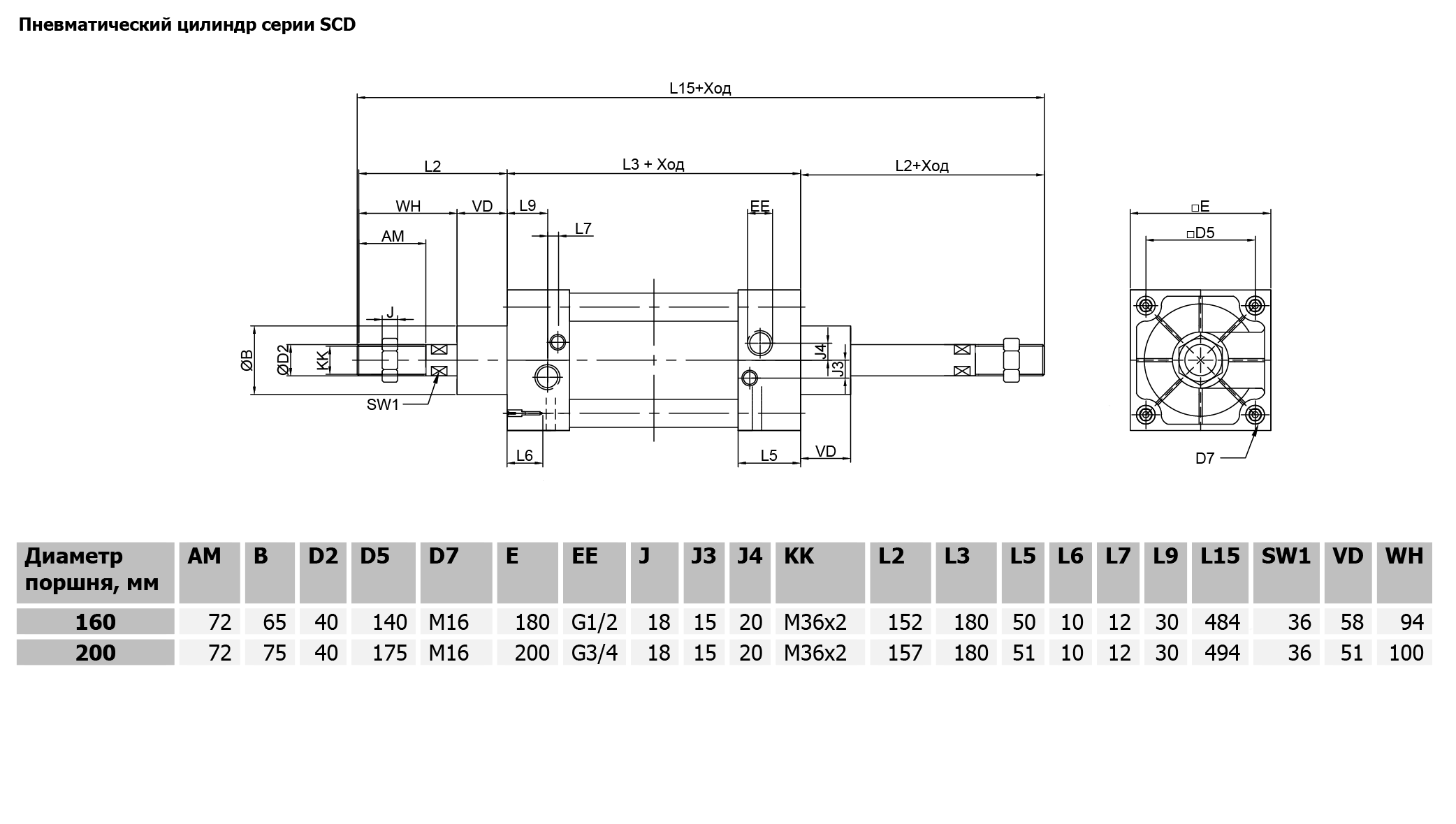
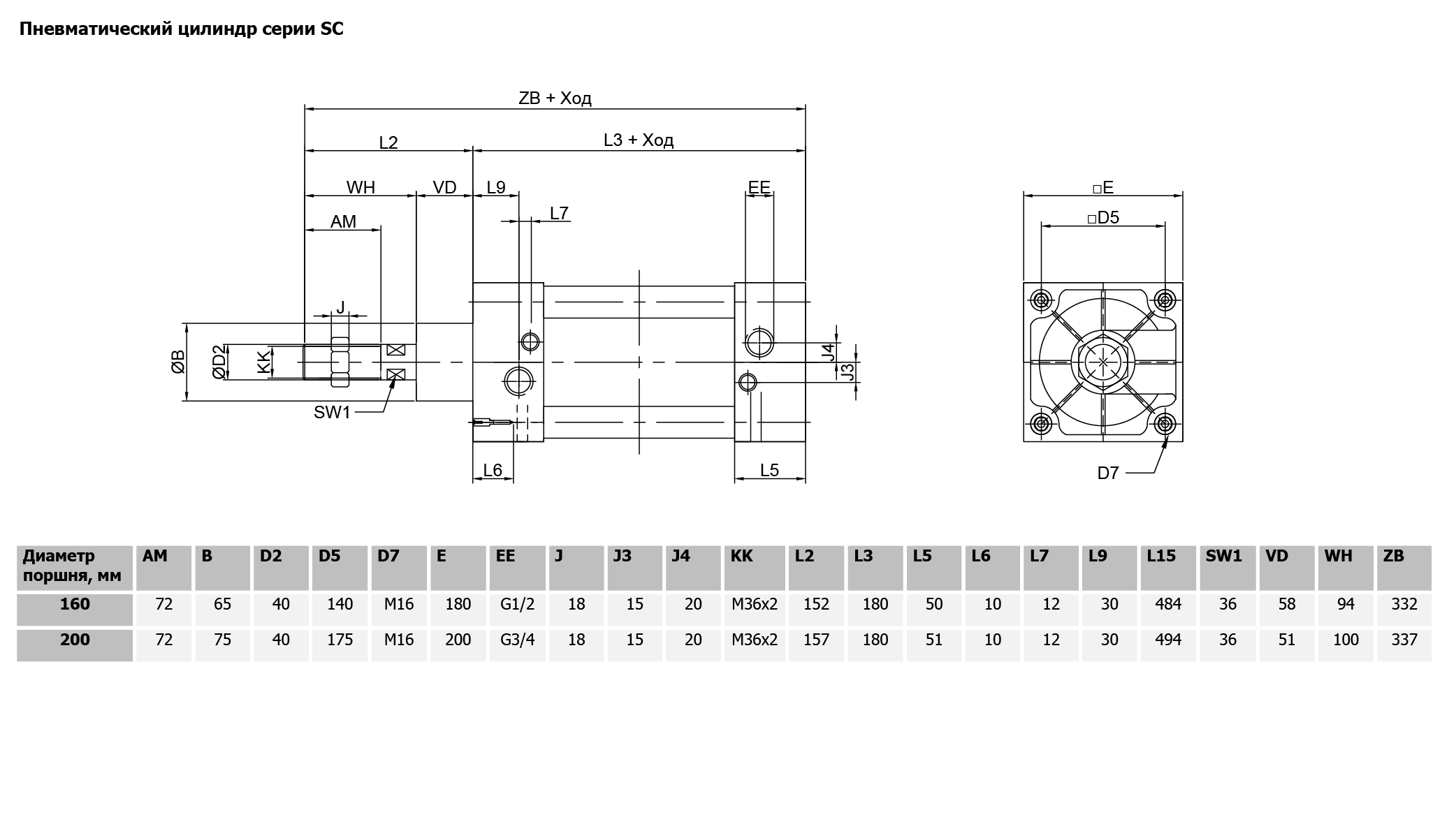
| Стандартный Ход | 10 – 1900 Мм |
| Рабочая Температура | От 0 До +80 ( При Сухом Воздухе -10ос) |
| Рабочее Давление | 1 – 10 Бар |
| Скорость (Без Нагрузки) | 10 – 1000 Мм/C |
| Рабочая Среда | Очищенный Воздух |
| № | Элементы конструкции |
| 1 | Манжета штока |
| 2 | Направляющая втулка штока |
| 3 | Демпферная манжета |
| 4 | Уплотнительное кольцо корпуса |
| 5 | Манжета поршня |
| 6 | Магниты |
| 7 | Опорно-направляющее кольцо поршня |
| 8 | Крышка передняя |
| 9 | Корпус |
| 10 | Крышка задняя |
| 11 | Гайка штока |
| 12 | Шток |
| 13 | Гайки шпильки |






